Un sistema modular motorizado de comprobación del par de tapones con un amplio rango de medición
El sistema motorizado de medición del momento de apriete de tapones CAP-TSTM-DC es la elección perfecta para realizar mediciones del momento de apriete de apertura y cierre en tapones, tapas, válvulas, etc.
La rotación motorizada en sentido horario y antihorario garantiza pruebas altamente precisas y repetibles, mientras que el diseño modular versátil permite configurar el soporte con una gran variedad de dispositivos de sujeción. Además, un deslizador accionado por palanca con topes de desplazamiento permite acoplar y desacoplar las muestras de forma rápida y eficaz. El sistema estándar tiene una capacidad de 11,5 Nm que puede ampliarse a 22 Nm (requiere un sensor de par de mayor capacidad). Se conecta al indicador i5 mediante el cable multifunción AC1108 y a un PC mediante el cable AC1104 que se incluyen en esta configuración de prueba.
Las características del CAP-TSTM-DC incluyen:
El Indicador Digital Avanzado de Fuerza/Torsión Modelo-5I está diseñado para trabajar con una variación de sensores de Fuerza y Torque Plug & Test®. En esta configuración de prueba está conectado al sensor de torsión R50. Con su frecuencia de la muestra de 7000 Hz, una precisión de ±0,1% del fondo de escala, una memoria de hasta 1000 mediciones con cálculos estadísticos, fuerza media en el tiempo, modos de disparo externo y salida de datos, el indicador M5I está bien equipado para realizar prácticamente cualquier tarea que sea posible con esta configuración de prueba.
Los sensores de torsión universales de la serie R50 utilizados para esta configuración miden en ambas direcciones con un rango de capacidad de 7 a 1150 Ncm. El tamaño del mandril oscila entre 1,6 y 12,7 mm (dependiendo de la capacidad) y se conecta al indicador I5 mediante el conector Plug & Test®.
Esta configuración de ensayo se distribuye con el software de adquisición de datos MESUR® Lite. MESUR® Lite tabula datos continuos o de un solo punto. La exportación a Excel con un solo clic permite la manipulación posterior de los datos. Una versión ampliada de este programa, MESUR®gauge o MESUR®gauge+ están disponibles como opción.
Esta configuración de ensayo de par puede completarse añadiendo mordazas y útiles de la explicación de mordazas y útiles que aparece a continuación.
Si no puede seleccionar la configuración adecuada para sus necesidades o necesita más información, estaremos encantados de ayudarle. Póngase en contacto con nosotros y le ayudaremos a encontrar la configuración más adecuada.
El CAP-TSTM-DC se vende como un sistema de prueba completo que incluye los siguientes elementos;
TSTM-DC - Banco de pruebas de torsión motorizado con mando digital
Series-5i - Pantalla de torsión
R50 - Sensor de torsión
09-1162 - Cable de comunicación de la pantalla de torsión al banco de pruebas
09-1163 - RS232 Cable de salida de serie
Opciones para completar la configuración de la prueba:
G1058 - Agarre de la tapa
G1023 - Agarre de la base
G1053 - Empuñadura en V
AC1029 - Compensador axial
G1022 - Empuñadura de mandril Jacobs
G1018 - Empuñadura de mandril Jacobs
Las empuñaduras y los accesorios no están incluidos en el precio del juego de serie básico y se deben solicitar por separado..
Información general
Los indicadores Mark-10 M7I, M5I y M3I se utilizan en combinación con sensores Plug & Test®, por lo que pueden adaptarse a numerosos requerimientos de medición de fuerza y torsión, de 1 N a 50 kN (0,25 a 10.000 lbF) de fuerza, y de 7 Ncm a 550 Nm (10 ozFin a 5.000 lbFin) de torsión.
Los sensores Plug & Test® se pueden utilizar con la mano o montados en un dispositivo o banco de pruebas para obtener resultados más precisos y repetibles.
Los sensores se calibran por separado, por lo que pueden desconectarse de un indicador y conectarse a otro sin necesidad de recalibrarlos o reconfigurarlos, ya que esto se almacena en la placa de circuito impreso situada en el interior del conector inteligente.
Precisión
La precisión del sistema viene determinada por la combinación del indicador y el sensor. Para determinar la precisión total del sistema, el valor de precisión del sensor se suma al valor del indicador.
Como los indicadores tienen diferentes valores de precisión, la precisión total del sistema puede variar entre las diferentes combinaciones de visor/sensor. Modelo de indicador Precisión M7I / M5I ±0,1% del fondo de escala M3I ±0,2% del fondo de escala.
Ejemplo 1 Sensor modelo MR01-100 con indicador modelo M5I MR01-100 ±0,15% en toda la escala + M5I ±0,1% en toda la escala = Total ±0,25% en toda la escala Esto se traduce en un error fijo de hasta: 0,25% x 500 N = 1,25 N
Ejemplo 2 Sensor modelo MR50-50Z con indicador modelo M3I MR50-50Z ±0,35% en toda la escala + M3I ±0,2% en toda la escala = Total ±0,55% en toda la escala. Esto se traduce en un error fijo de hasta: 0,55% x 50 Ncm = 0,275 Ncm
Dado que la precisión se define como un porcentaje en toda la escala, el error fijo es posible en cualquier punto de la escala, desde 0 hasta la capacidad. Como tal, este valor representa un error cada vez mayor como porcentaje de lectura hacia el extremo inferior de la escala. Por lo tanto, se recomienda seleccionar un sensor con una capacidad lo más cercana posible a la carga prevista. La resolución puede ser diferente para algunos sensores dependiendo de si se está utilizando un indicador M7I, M5I o M3I. Por ejemplo, un sensor de fuerza de la serie R01 mostrará una resolución más fina cuando se conecte a un indicador M5I que cuando se conecte a un indicador M3I.

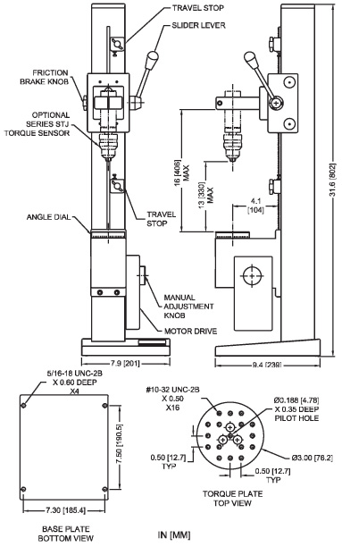
Dimensiones del banco de pruebas de torsión vertical avanzado TSTM-DC.
Todas las dimensiones están en pulgadas con [mm] detrás.
| Velocidad: | 0.3-8.6 RPM (4-52°/s) |
| Velocidad de precisión: | ±5% (Control de velocidad digital opcional para obtener una mayor precisión) |
| Boca (garganta) del banco de pruebas de torque | 4.10" (104 mm) |
| Diámetro máximo del tapón: | 3.5" / 89mm |
| Ajuste manual: | 12º/vuelta del pomo |
| Recorrido máximo de la barra deslizante: | 15.5" (394 mm) |
| Deslizador Tasa de desplazamiento | 1,047" (26,6 mm) / nivel de revoluciones |
El CAP-TSTM-DC se vende como un sistema de prueba completo que contiene los siguientes elementos;
TSTM-DC - Banco de pruebas de torsión motorizado con control digital
Series-5i - Pantalla de Torsión
R50 - Sensor de Torsión
09-1162 - Cable de comunicación de la pantalla de torsión al banco de pruebas
09-1163 - RS232 Cable de salida de serie
Opciones para completar la configuración de la prueba:
G1058 - Agarre de tapa
G1023 - Agarre de la base
G1053 - Agarre en V
AC1029 - Compensador Axial
G1022 - Agarre de mandril Jacobs
G1018 - Agarre de mandril Jacobs
Las empuñaduras y los accesorios no están incluidos en el precio del juego estándar y deben añadirse por separado.