En Checkline Europe S.L. nos gustaría utilizar cookies y tecnologías similares para optimizar su experiencia de compra, y para ello necesitamos su consentimiento. Al hacer clic en el botón "Aceptar cookies", acepta nuestro uso de cookies y tecnologías similares. Si no está de acuerdo, puede rechazar el uso o personalizar la configuración de las cookies correspondientes haciendo clic en el botón "Configuración de cookies". También tiene la posibilidad de especificar qué cookies en nuestro sitio web deben activarse. Este banner se mostrará hasta que haya seleccionado sus preferencias de cookies. Si decide no utilizar cookies, no usaremos cookies ni tecnologías similares, excepto aquellas esenciales para el correcto funcionamiento del sitio web. Haga clic aquí para consultar nuestra política de privacidad

FS06 Sensores de Fuerza de Tracción y Compresión


Sensores de alta capacidad y precisión para aplicaciones versátiles en marcos de ensayo

La serie FS06 ha sido diseñada para adaptarse a muestras que requieren mordazas o accesorios de mayor tamaño cuando se utilizan con los bancos de ensayo Checkline/Mark-10 F105, F305, F505 y F505H. Estos sensores de alto rendimiento miden tanto fuerzas de tracción como de compresión, con capacidades que van desde 250 N hasta 2,5 kN.

Equipados con la tecnología Plug & Test®, los sensores FS06 se conectan fácilmente a los bancos de ensayo de las series F105/305/505. Todos los datos de configuración y calibración se almacenan internamente en la placa del sensor, lo que permite un funcionamiento plug-and-play real. La calibración también puede realizarse externamente utilizando un indicador Mark-10 Series 5I o 7I junto con el adaptador AC1083.

Características destacadas:

  • Amplia compatibilidad: Funciona con los bancos de ensayo Mark-10 F105, F305, F505 y F505H.
  • Medición de tracción y compresión: Mide con precisión fuerzas bidireccionales en un amplio rango de capacidad (250 N a 2,5 kN).
  • Tecnología Plug & Test®: Garantiza reconocimiento automático del sensor, configuración instantánea e intercambio simplificado.
  • Memoria de calibración inteligente: Todos los datos de calibración y configuración se almacenan en la PCB interna, permitiendo una instalación sencilla y resultados consistentes.
  • Calibración externa opcional: Compatible con los indicadores Mark-10 Series 5I y 7I mediante el adaptador AC1083.
  • Diseño robusto: Ideal para mordazas o accesorios grandes y pesados sin comprometer la precisión.
  • Precisión certificada: Se suministra con certificado de calibración trazable NIST con datos incluidos.
  • Garantía: Incluye garantía del fabricante de 3 años.

Beneficios clave:

  • Rendimiento fiable: Lecturas de fuerza consistentes y precisas tanto en tracción como en compresión.
  • Integración sencilla: La instalación plug-and-play elimina configuraciones complejas.
  • Menor tiempo de inactividad: Sustitución rápida del sensor y calibración en campo que mejoran la productividad.
  • Amplio rango de aplicación: Adecuado para entornos industriales, de laboratorio y control de calidad.

 

Contáctenos para más información o para solicitar una cotización. Nuestro equipo le ayudará a seleccionar la configuración de sensor FS06 más adecuada para su banco de ensayo y sus requisitos de aplicación.

Características

  • Tipo de medición: Tracción y compresión
  • Rango de capacidad: 250 N – 2,5 kN
  • Compatibilidad: Diseñado para su uso con los bancos de ensayo Mark-10 F105, F305, F505 y F505H
  • Construcción: Diseño robusto, adecuado para mordazas y accesorios de gran tamaño
  • Certificación de precisión: Se suministra con certificado de calibración trazable NIST con datos incluidos
  • Montaje: Compatible con los accesorios estándar de los bancos de ensayo Mark-10
  • Garantía: Garantía del fabricante de 3 años
  • Tecnología: Interfaz inteligente Plug & Test®
  • Datos de calibración: Almacenados internamente en la PCB del sensor para un funcionamiento plug-and-play
  • Calibración externa: Puede calibrarse externamente con indicadores Mark-10 Series 5I o 7I mediante el adaptador AC1083

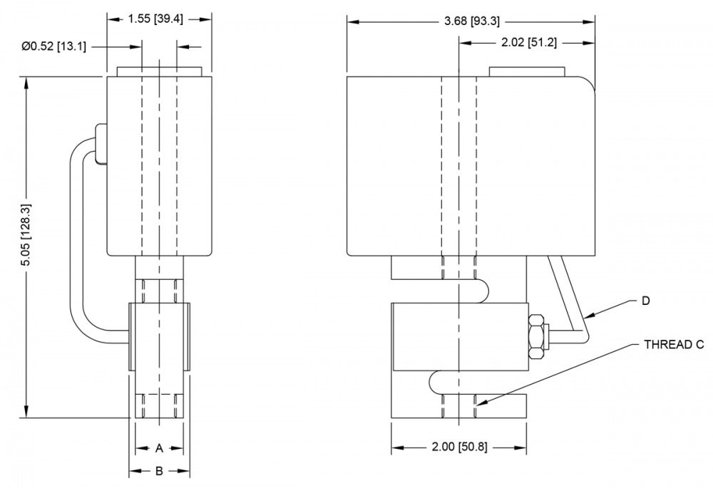
Dimensiones

FS06 Dimensiones
Dimensiones-FS06 Dimensiones


N.º de modeloABRosca CD
FS06-500.46 [11.7]0.71 [18.0]1/4-28 UNF6.00 [152.4]
FS06-1000.46 [11.7]0.71 [18.0]1/4-28 UNF6.00 [152.4]
FS06-2000.46 [11.7]0.71 [18.0]1/4-28 UNF6.00 [152.4]
FS06-3000.9 [22.6]1.1 [27.9]1/2-20 UNF6.00 [152.4]
FS06-5000.9 [22.6]1.1 [27.9]1/2-20 UNF6.00 [152.4]
Todas las medidas en pulgadas y [mm]
Capacidad × Resolución
ModelolbFozFgFkgFNkN
FS06-5050 x 0.02800 x 0.525000 x 1025 x 0.01250 x 0.1-
FS06-100100 x 0.051600 x 150000 x 2050 x 0.02500 x 0.2-
FS06-200200 x 0.13200 x 2-100 x 0.051000 x 0.51 x 0.0005
FS06-300300 x 0.24800 x 5-150 x 0.11500 x 11.5 x 0.001
FS06-500500 x 0.28000 x 5-250 x 0.12500 x 12.5 x 0.001
Productos relacionados

Banco de prueba IntelliMESUR® F105 / F305 / F505 / F505H


  • Sensor de fuerza integrado: Interfaz sin cables para el sensor de fuerza FS05.
  • Panel de control táctil integrado: Configuración, ejecución y análisis de datos a través del panel de control IntelliMESUR® integrado.
  • Solución integrada de control de movimiento: Recopilación de datos con interfaz perfecta para el sensor de fuerza FS05 sin cables. El sistema Plug & Test® permite utilizar células de carga de otros fabricantes mediante el adaptador PTAF.

Más detalles

Banco de prueba IntelliMESUR® F105 / F305 / F505 / F505H

Banco de prueba EasyMESUR® F105 / F305 / F505 / F505H


  • Sensor de fuerza integrado: Interfaz sin cables para el sensor de fuerza FS05.
  • Panel de control táctil integrado: Para configurar, ejecutar y analizar datos a través del software Easy MESUR®.
  • Asistentes de creación de pruebas: Guías que ayudan al usuario durante el proceso de configuración.

Más detalles

Banco de prueba EasyMESUR® F105 / F305 / F505 / F505H

Especificaciones

Precisión:±0,15 % de la escala completa + indicador o banco de ensayo
Sobrecarga segura:150 % de la escala completa
Peso:FS06-50 – FS06-200: 0,8 kg
FS06-300 – FS06-500: 0,9 kg
Peso de envío:FS06-50 – FS06-200: 1,1 kg
FS06-300 – FS06-500: 1,2 kg

Comprar ahora

Productos

Producto
Precio
Cantidad
140343
FS06-50 Force sensor, 50 lbF / 800 ozF / 25 kgF / 25000 gF / 250 N
€ 1.208,00 
140344
FS06-100 Force sensor, 100 lbF / 1600 ozF / 50 kgF / 50000 gF / 500 N
€ 1.208,00 
140345
FS06-200 Force sensor, 200 lbF / 3200 ozF / 100 kgF / 1000 N / 1 kN
€ 1.208,00 
140346
FS06-300 Force sensor, 300 lbF / 4800 ozF / 150 kgF / 1500 N / 1.5 kN
€ 1.208,00 
140347
FS06-500 Force sensor, 500 lbF / 8000 ozF / 250 kgF / 2500 N / 2.5 kN
€ 1.208,00 
Todos los precios mostrados excluyen el IVA y los gastos de envío.
Disponibilidad: Disponible: 1 - 3 días, Plazo de entrega: 1 - 3 semanas., Solicitud de pedido especial

Contacto 
Solicitar oferta
¡Su solicitud de información ha sido enviada!
Nos pondremos en contacto con usted lo antes posible.
 Información