En Checkline Europe S.L. nos gustaría utilizar cookies y tecnologías similares para optimizar su experiencia de compra, y para ello necesitamos su consentimiento. Al hacer clic en el botón "Aceptar cookies", acepta nuestro uso de cookies y tecnologías similares. Si no está de acuerdo, puede rechazar el uso o personalizar la configuración de las cookies correspondientes haciendo clic en el botón "Configuración de cookies". También tiene la posibilidad de especificar qué cookies en nuestro sitio web deben activarse. Este banner se mostrará hasta que haya seleccionado sus preferencias de cookies. Si decide no utilizar cookies, no usaremos cookies ni tecnologías similares, excepto aquellas esenciales para el correcto funcionamiento del sitio web. Haga clic aquí para consultar nuestra política de privacidad

G1095-G1096-G1097 Dispositivos de flexión de 3 / 4 puntos


La serie G1095/96/97 de dispositivos de ensayo de flexión de 3 / 4 puntos se ha desarrollado como un sistema versátil de ensayo de flexión conforme a ASTM C393, C1161, D790 y normas relacionadas.

Esta completa gama de dispositivos de flexión está diseñada para realizar ensayos de flexión en 3 y 4 puntos en una amplia gama de materiales, como plásticos, metales, cerámica y tubos. Disponibles en dos tamaños de base distintos, cada útil viene equipado con un yunque superior y la opción de seleccionar los diámetros de soporte preferidos. Elija una combinación de base y yunque para ensayos de flexión en 3 puntos u opte por dos bases para ensayos de flexión en 4 puntos.

Las bases de estas fijaciones incorporan bloques móviles con múltiples ranuras en V, diseñados para alojar diversos diámetros de soporte. Como inclusión estándar, se proporcionan soportes de 10 mm de diámetro, con la opción de elegir entre una gama de otros tamaños para adaptarse a sus necesidades específicas.

Además, los útiles incluyen reglas grabadas de doble graduación, con escalas en pulgadas y milímetros en lados opuestos. También cuentan con un montaje de extremo de ojo integrado, que requiere un adaptador de extremo de ojo para una compatibilidad perfecta con los medidores de fuerza Mark-10, los sensores de fuerza y los bancos de pruebas. Para mayor comodidad, las bases están equipadas con orificios pasantes y tornillos de montaje que permiten la fijación directa a bancos de pruebas específicos.

Los kits adicionales con diámetros de soporte de 1 mm, 2 mm y 5 mm se adaptan a otros requisitos de ensayo. Cada kit incluye cuatro soportes y ocho juntas tóricas.
Póngase en contacto con nosotros para tamaños personalizados de hasta 15 mm.

Características

  • Diseñado para pruebas de flexión en 3 y 4 puntos
  • Diseño resistente
  • Puede utilizarse con adaptadores de extremo de ojo o montarse en bancos de pruebas con tornillos de montaje (excepto yunque - sólo montaje de extremo de ojo).
  • Se adapta a una amplia gama de tamaños de muestra
  • Reglas graduadas dobles - pulgadas y mm
  • Se recomienda su uso con un banco de pruebas motorizado.

Dimensiones

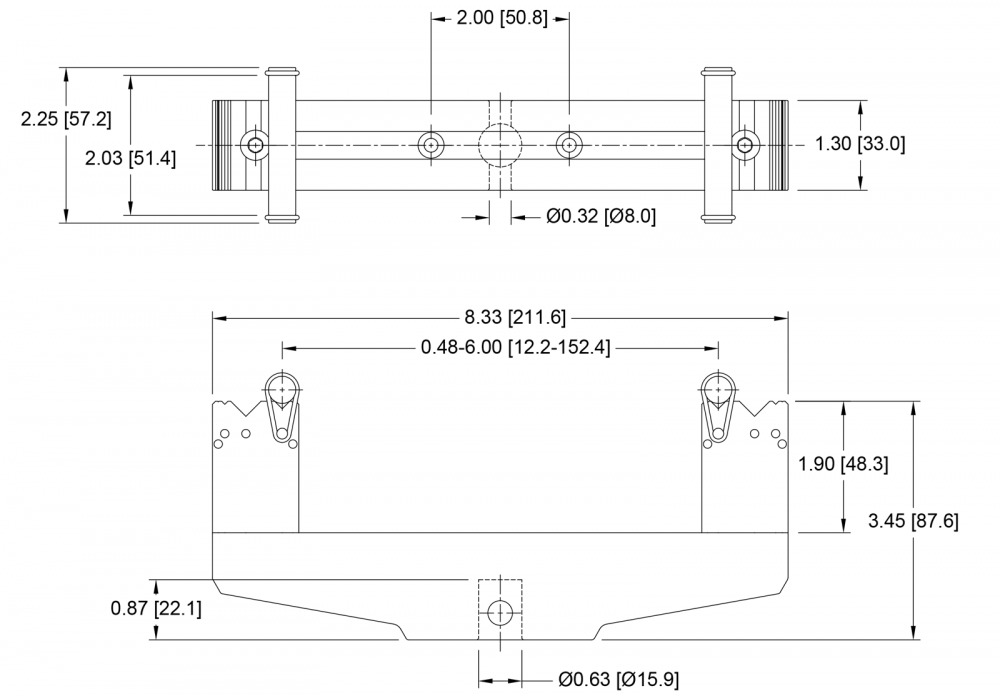
G1095 - 2 Base de puntos
Dimensiones-G1095 - 2 Base de puntos


Todas las medidas se indican en pulgadas y las medidas métricas en [mm] detrás.

G1096 - 2 Base de puntos
Dimensiones-G1096 - 2 Base de puntos


Todas las medidas se indican en pulgadas y las medidas métricas en [mm] detrás.

G1097 - Yunque
Dimensiones-G1097 - Yunque


Todas las medidas se indican en pulgadas y las medidas métricas en [mm] detrás.

Comprar ahora

Productos

Producto
Precio
Cantidad
135425
G1095 Bend fixture, eye end
€ 866,00 
135426
G1096 High capacity bend fixture, eye end
€ 1.185,00 
135427
G1097 Upper anvil for bend fixtures, eye end
€ 164,00 
 
Accesorios

Producto
Precio
Cantidad
135428
AC1067 Rollers for bend fixtures, 1 mm, set of 4
€ 82,00 
135429
AC1067-1 Rollers for bend fixtures, 2 mm, set of 4
€ 82,00 
135430
AC1067-2 Rollers for bend fixtures, 5 mm, set of 4
€ 82,00 
135431
AC1067-3 Rollers for bend fixtures, 10 mm, set of 4
€ 82,00 
Todos los precios mostrados excluyen el IVA y los gastos de envío.
Disponibilidad: Disponible: 1 - 3 días, Plazo de entrega: 1 - 3 semanas., Solicitud de pedido especial

Contacto 
Solicitar oferta
¡Su solicitud de información ha sido enviada!
Nos pondremos en contacto con usted lo antes posible.
 Información